• Sign Up! To view all forums and unlock additional cool features

    Welcome to the #1 Ford Fiesta Forum and Ford Fiesta community dedicated to Ford Fiesta owners and enthusiasts. Register for an account, it's free and it's easy, so don't hesitate to join the Ford Fiesta Forum today!


Fuel cut off

Messages
4
Likes
1
City
Wymondham
State
Non-US
Country
United Kingdom
What I Drive
Mk7 ford fiesta
#1
Hi all,
I recently had a minor incident and it caused the car to stop starting, I’m almost certain it is some kind of fuel cut off switch as the car turns over but does not start, I can’t hear any type of fuel pump prime either. I have looked all over for a physical switch so I thought I would come to the forums for some advice
 

Handy Andy

Well-Liked Member
Premium Account
Messages
1,964
Likes
1,377
City
Grand Rapids
State
MI
Country
United States
What I Drive
2018 Ford Fiesta SE HB
#2
1762121754534.png
Check your Owners manual - only works if your Fusebox
in the Engine bay - looks like the above.​
 

Handy Andy

Well-Liked Member
Premium Account
Messages
1,964
Likes
1,377
City
Grand Rapids
State
MI
Country
United States
What I Drive
2018 Ford Fiesta SE HB
#4
They changed the Fuse-box layout - back in 2013...
As to which relay is vague in the Owners Manual
1762123314644.png
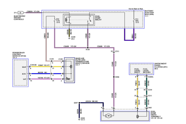
Schematically - the Relay is in and on the Engine Bays Fuse-box, but as to which one - use a continuity checker to locate that Relay by probing F11 Fuse terminal to the Relay that takes the power from that Fuse on the Common of the Switched side of the relay.
1762123788135.png
 
Last edited:
OP
R
Messages
4
Likes
1
City
Wymondham
State
Non-US
Country
United Kingdom
What I Drive
Mk7 ford fiesta
Thread Starter #5
So I should check my relays instead of looking for a physical switch?
 

Handy Andy

Well-Liked Member
Premium Account
Messages
1,964
Likes
1,377
City
Grand Rapids
State
MI
Country
United States
What I Drive
2018 Ford Fiesta SE HB
#6
Yes, there are no fuel shutoff switches - or breakers - in a Fiesta - POST 1999 - because of the SRS system helps control the Fuel Pump by "talking" to the system and the relay is then controlled by the communication established by the SRS system as a fully engaged talkback system even looking at the Speed Sensors to help with Traction Control.

So if all else works then the Fuel Pump and it's wiring underneath the rear passenger bench seat - are suspect.
 

Attachments



Top