- Messages
- 4
- Likes
- 1
- City
- Wymondham
- State
- Non-US
- Country
- United Kingdom
- What I Drive
- Mk7 ford fiesta
Hi all,
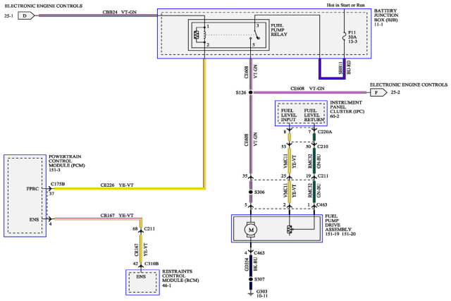
I recently had a minor incident and it caused the car to stop starting, I’m almost certain it is some kind of fuel cut off switch as the car turns over but does not start, I can’t hear any type of fuel pump prime either. I have looked all over for a physical switch so I thought I would come to the forums for some advice
I recently had a minor incident and it caused the car to stop starting, I’m almost certain it is some kind of fuel cut off switch as the car turns over but does not start, I can’t hear any type of fuel pump prime either. I have looked all over for a physical switch so I thought I would come to the forums for some advice


